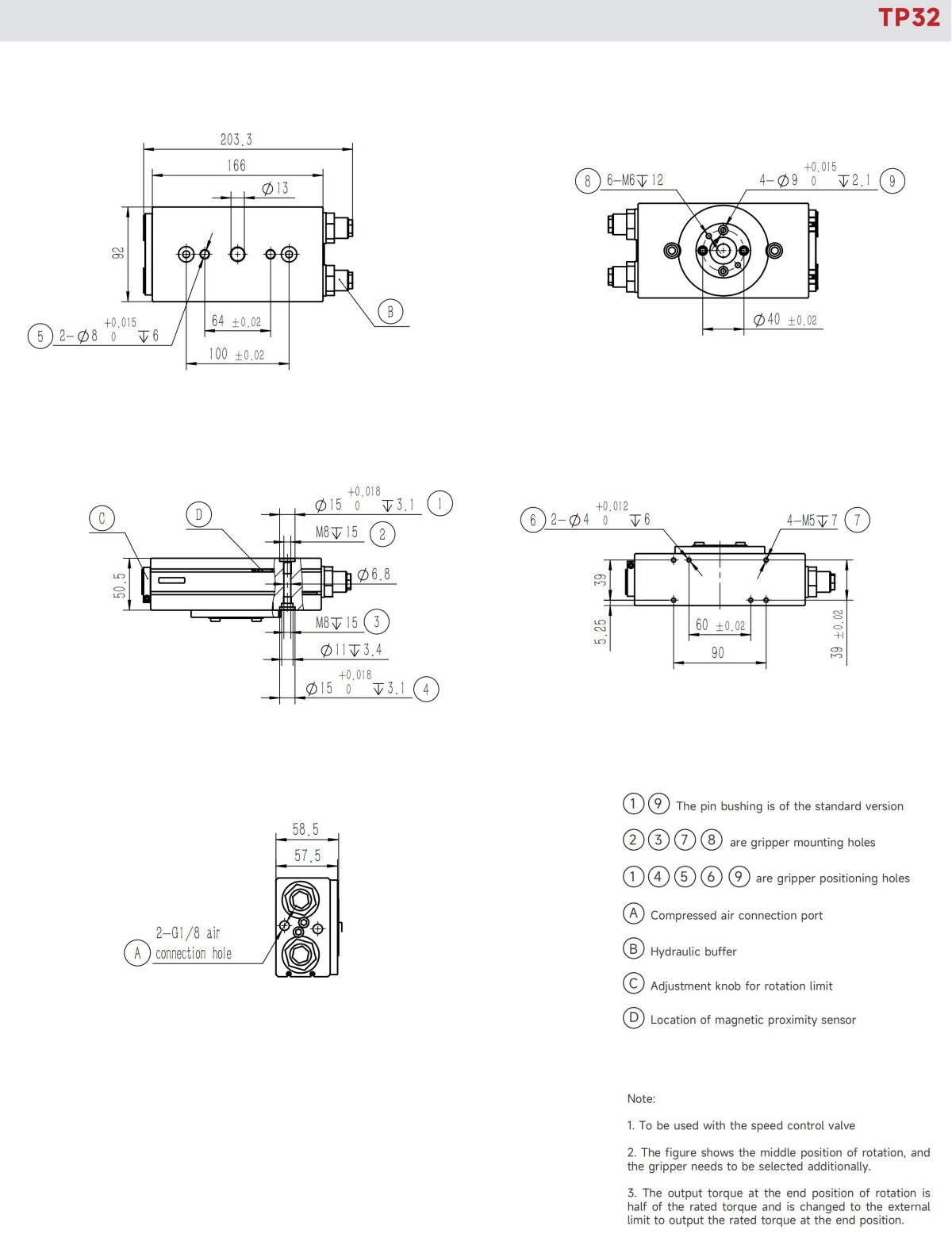
| Product attributes | Parameter Value | Unit | |
| Product Code | TP32 | ||
| Cylinder bore | 32 | mm | |
| Theoretical torque | 1.93× P | N·m | |
| Rotation angle | 90/180 | ° | |
| Adjustment range of rotation angle | ±30 | ° | |
| Product weight | 2.75 | kg | |
| Allowable rotation time | 1~3 | s | |
| Maximum allowable kinetic energy | 8 | J | |
| Sensor type | Magnetic proximity sensor | ||
| P:Compressed air pressure [bar] | |||
| Specification of buffer unit | M20 Hydraulic buffer | Specification of air connection port | G1/8 |
| Repeated gripping accuracy/mm | ± 0.05 | Temperature range of application/°C | -5~60 |
| Operating air pressure range/bar | 3~8 | IP rating | 65 |
| Magnetic proximity sensorr | |
| D-M9NAL | Magnetic,NPN,3-core3m |
| D-M9PAL | Magnetic,PNP,3-core3m |
| *Two sensors are required for each rotation unit. For the detailed monitoring of two positions, see the sensor appendix. | |
In the rotating unit series, TP product is a universal rotating device driven by the compressed air, which can realize rotation for 90°/180°

Payment Methods:
50% shall be paid by T/T in advance.50%balance paid before machine loading at the factory.
After-sales service
Your benefits
In the condition of proper usage and non man-made damage, the contractual warranty should be 24 months since you receive the equipments. If it is approved to be quality issue by both parties, then the seller shall provide new spare parts or new one as replacement and fast courier shall be taken by FOUK.
Return ship service please contact your sales represent.
Our Service
Online Guided Repair or Repair by Sending Back to FOUK Production Base
Replacement Service
Detailed Maintenance Recommendations
Real-time Repair Feedback
24-Hour General Manager Hotline
Your correct contact person for after sales service